Re-installation while the indoor unit need to be repaired
1. Collecting the refrigerant into the outdoor unit

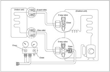
Procedure
1). Confirm that both the 2-way and 3-way valves are set to the opened position
Remove the valve stem caps and confirm that the valve stems are in the opened position.
Be sure to use a hexagonal wrench to operate the valve stems.
2). Connect the charge hose with the push pin of handle lo to the 3-way valves gas service port.
3). Air purging of the charge hose.
Open the handle Lo valve of the manifold valve slightly to purge air from the charge hose for 5 seconds and then close it quickly.
4). Set the 2-way valve to the close position.
5). Operate the air conditioner at the cooling cycle and stop it when the gauge indicates 0.1Mpa(14.5Psi).
6). Set the 3-way valve to the closed position immediately
Do this quickly so that the gauge ends up indicating 0.3Mpa(43.5Psi) to 0.5 Mpa(72.5Psi).
Disconnect the charge set, and tighten the 2-way and 3-way valve’s stem nuts.
Use a torque wrench to tighten the 3-way valves service port cap to a torque of 18N.m.
Be sure to check for gas leakage.