Installation for the first time
Air and moisture in the refrigerant system have undesirable effects as below:
- Pressure in the system rises.
- Operating current rises.
- Cooling or heating efficiency drops.
- Moisture in the refrigerant circuit may freeze and block capillary tubing.
- Water may lead to corrosion of parts in the refrigerant system.
Therefore, the indoor units and the pipes between indoor and outdoor units must be leak tested and evacuated to remove gas and moisture from the system.
Gas leak check (Soap water method):
Apply soap water or a liquid neutral detergent on the indoor unit connections or outdoor unit connections by a soft brush to check for leakage of the connecting points of the piping. If bubbles come out, the pipes have leakage.
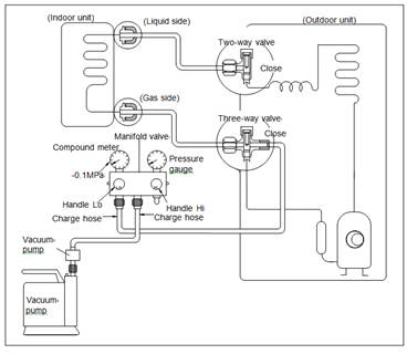
Air purging with vacuum pump

- Completely tighten the flare nuts of the indoor and outdoor units, confirm that both the 2-way and 3-way valves are set to the closed position.
- Connect the charge hose with the push pin of handle lo to the 3-way valves gas service port..
- Connect the charge hose of handle hi connection to the vacuum pump.
- Fully open the handle Lo of the manifold valve.
- Operate the vacuum pump to evacuate.
- Make evacuation for 30 minutes and check whether the compound meter indicates -0.1Mpa(14.5Psi). If the meter does not indicate -0.1Mpa(14.5Psi) after pumping 30 minutes, it should be pumped 20 minutes more. If the pressure can’t achieve -0.1Mpa(14.5Psi) after pumping 50 minutes, please check if there are some leakage points. Fully close the handle Lo valve of the manifold valve and stop the operation of the vacuum pump. Confirm that the gauge needle does not move (approximately 5 minutes after turning off the vacuum pump).
- Turn the flare nut of the 3-way valves about 45° counterclockwise for 6 or 7seconds after the gas coming out, then tighten the flare nut again. Make sure the pressure display in the pressure indicator is a little higher than the atmosphere pressure. Then remove the charge hose from the 3 way valve.
- Fully open the 2 way valve and 3 way valve
and securely tighten the cap of the 3 way valve.